Ny YAGI antenn
6m2mHV17W-3C
Dual band 6M H Polarisation / 2M H+V polarisation

INDEX
  • Inledning
  • Senast uppdaterat
  • ToDo
  • Beskrivning
  • Referenser / Länkar m.m.
  • 'Disclaimer'

  • Inledning
    Tänkte prova att köra lite mera på 2M & 6M banden. Så då måste man ju utöka antenn-parken lite.

    Denna antenn är i praktiken en kryss-yagi på 2M banden, och en vanlig yagi på 6M bandet.

  • 8 element horisontal på 2M
  • 5 element vertikalt på 2M
  • 4 element horisontalt på 6M


    antenn 6m2mHV17W-3C
    (Bild lånad från tillverkaren)

  • Senast uppdaterat
    Hittade dessa två intressanta länkar, den första '145alice' är en aktivitet för att öka intresset / trafiken på 2M bandet, den andra är till en tjänst för att skapa / skicka QSL via mail...
  • https://145alive.com
  • https://qslmaster.com

  • 2026.04.19 Uppsättning av antennen närmar sig, vädret har varit superfint dom senaste dagarna. Återstår att fixa till lite mera koaxialkablarNot-1 och kapslingarna till reläbox / relä-styrning.


    Rotor-styrningar, 50A nätaggregat, VHF radio & slutsteg

    Rotor styrboxen till 'EMOTATOR 1103mxx' rotorn står nu på hyllan vid sidan av mina två andra styrboxar. 'YEASU G-2800DXC' boxen används till min Lannabo L2 logperiod antenn, 'Hirschmann Hit Ro 270' boxen används till en 3-element yagi för 69MHz bandet.


    'RF-Concepts 2-315' VHF slutsteg FRONT / BACK

    Fick hem det begagnade 'RF-Concepts 2-315' VHF slutsteget, ritar och 3D-Printar fyra apparatfötter i TPU material, fäster fötterna med Dubbelhäftande skumtejp. Biltema.se[L2] Artnr. 29-025.


    Apparatfötter i TPU material


    ToDo
    Som dom flesta 'projekt' så är där alltid något som kan göras bättre / annorlunda eller ändras lite på...

  • Vänta på antenn leverans
  • Invänta vår & värme
  • Montera ihop antenn
  • Reparera riktningsvisning i 'EMOTATOR 1103mxx' rotor
  • Tillverka kapsling till reläbox (Utomhusdel)
  • Göra färdig kapsling till relä-styrbox (Inomhusdel)
  • Tillverka lite fler koaxialkablar
  • Sätta upp antennen på Mast-2
  • Uppdatera denna sida...

    2026.04.11 Jobbar med kablage, lägger på lite krympslag vid kontakterna på RG-217 kabeln & provmäter. Använder 'Raychem 25/8' krympslang med smältlim invändigt, den går lätt utanpå kontakterna och kan krympa ihop ner till 8mm.


    'Raychem' krympslang / Koaxialomkopplare

    Monterar en koaxialomkopplare 'KPO KX-201 N' inne i mitt radio-shack, den ska användas för att välja vilken radio som ska kopplas ut till antennen.

    Position 'A' kopplar till 'SPE Expert 1K-FA' slutsteg & 'YEASU FT-710 AESS' radion för 50MHz/6M
    Position 'B' kopplar till 'RF-Concepts 2-315' slutsteg & 'YAESU FT-857D' radion för 144MHz/2M

    Not-1 / Många kablar blir det! - Från radio till antenn, totalt 8st
    1. RG-223 50cm N-Ha / N-Ha (Radio --> PA-Steg)
    2. RG-223 150cm N-Ha / N-Ha (VHF PA-Steg --> Koaxial switch port A)
    3. RG-223 100cm N-Ha / N-Ha (HF PA-Steg --> Koaxial switch post B)
    4. Lågförust 7m N-Ha / N-Ho (Koaxial switch --> RG-217 Feeder)
    5. RG-217 33m N-Ha / N-Ha (RG-217 Feeder --> Relabox)
    6. RG-223 XXcm N-Ha / N-Ha (Reläbox --> 6M-H 4el)
    7. RG-223 XXcm N-Ha / N-Ha (Reläbox --> 2M-H 8el)
    8. RG-223 XXcm N-Ha / N-Ha (Reläbox --> 2M-V 5el)

    Skiss / Inkoppling

    Skiss / Inkoppling i .pdf format -->
    koppling.pdf

    NOTE TO MYSELF! RG-223 backar i crimptång stift = .068 / hylsa = .213


    Crimptång / Backar / Omvandling tum --> mm

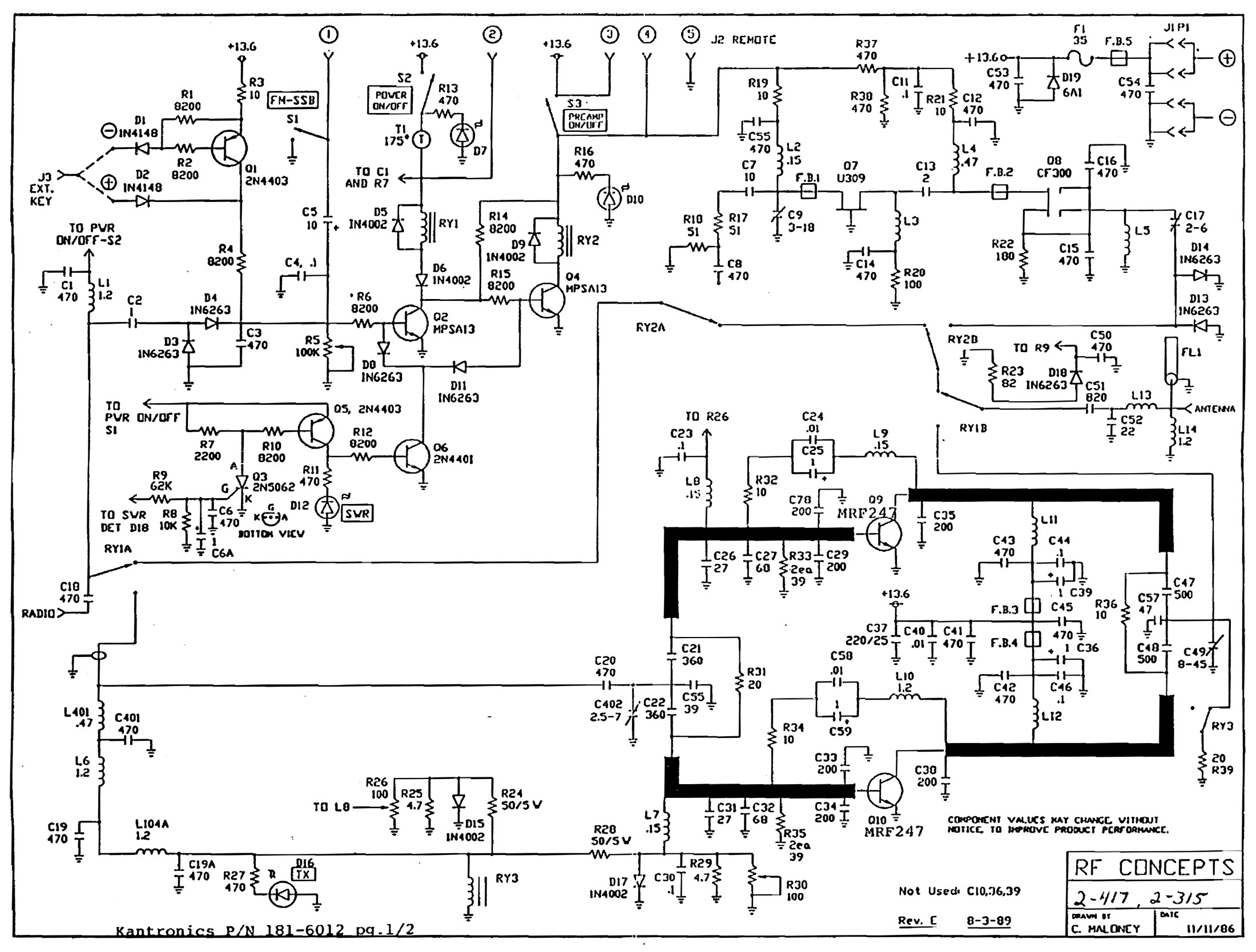
    2026.04.10 Har inhandlat ett begagnat 'RF-Concepts 2-315' VHF slutsteg (Från SM0IKR), det ska enl. manualen kunna lämna (MAX) 150-170W vid 40-50W inmatad effekt.


    'RF-Concepts 2-315' VHF slutsteg FRONT / BACK (Lånade bilder)



    'RF-Concepts 2-315' VHF slutsteg Krets-schema

    Beställde även ett switchat nätaggregat 'JESVERTY SPS-1352' från AMAZON.com[L3] - Det ska enl. tillverkaren kunna lämna 50A Kontinuerlig ström vid 13,8V - Tanken är att strömförsörja 13,8V slutsteg eller för att strömförsörja radio / kringutrustning, så att mitt DELTA ELEKTRONIKA SM3540' nätaggregat kan användas för att driva ett DIY / 24V slutsteg.


    Nätaggregat 'JESVERTY SPS-1352' / BACK

    2026.03.21 Kollar även på VHF slutsteg och strömförsörjning till det, Letar begagnat, nytt är ganska dyrt om man vill ha mer än 200W uteffekt. Har två alt. RM-ITALY LA-250V och JM TAIWAN PA-350V, det senare verkar vara ett betydligt mera utvecklat steg med bra skyddsfunktioner. Pris skillnaden mellan dom båda är ca 1500kr.


    LA-250V / PA-350V / 50A PSU

    2026.03.19 I kväll påbörjade jag ihop montering av antennen, började med 5element för 2M (VHF) vertikal sektionen och 8element 2M (VHF) horisontal sektionen. Skruvade även fast dom centrala delarna med 3element för 6M horisontal sektionen. Monteringsanvisning [R2]


    Påbörjar montering / RG-217 pris...

    Letade även fram en drygt 30meter lång stump RG-217[R1] kabel som jag har haft liggande sedan länge, den är färdigt kontakterad med 'N' kontakter. Googlade fram lite kabel-data och såg då även nypriset på en sådan kabel = 10542,00kr + moms för 100ft (30,5M), hoppsan!


    Drygt 30m lång kabelstump / RG-217

    2026.03.11 Fick hem antennen idag. Skellefteå Lasbilscentral (Fedex ombud) lämnade av den på farstubron mitt på dagen, precis som utlovat.


    Fortfarande i kartong! / Testar relä-box bygget...

    Har kollat lite på kvalite / ihop montering av själva antennen, det ska nog gå bra. Påskyndar bygget av min relä-box, kopplar ihop styrning och testar, allt verkar OK.

    2026.03.07 Fick ett mail med spårnings-information från https://antennas-amplifiers.com[L1] (Goran YU1CF) - Antennen är just nu i Örebro, beräknad ankomst är Onsdag den 11/3 före klockan 18:00.

    Bygger vidare på min DIY antenn-switch, har beställt ytter låda till utomhusdelen från Amazon[L3], ska försöka att ta mig ner till Luleå för ett besök på Biltema[L2] under kommande vecka (v.11] för att inhandla bl.a. styr-kabel.

    2026.03.05 Styrkabeln blir en 25M rulle 'RDO-gummikabel' 3x1mm2 (Biltema[L2] Art# 44-839), kopplingslist (Biltema[L2] Art# 35-811) och kopplingslåda i ABS-plast 220x170x110mm från Amazon.com[L3]

    2026.03.04 Påbörjar projektering / bygget av en liten antenn-switch, den ska användas för att växla mellan dom tre aktiva element. Tanken är att den ska kunna styras med 12VDC via en enkel / billig FKK 3x 0,75mm kabel.

    Skissar och 3D skriver inomhus-delen med låda & front, storleken är B100xD100xH50mm. Relä-boxen som ska sitta uppe vid antennen bygger jag in en IP-Klassad / skärmand EL-Kapsling.

    Paket på väg...


    Styrkabel / Kopplingslist / Ytter-Box till utomhus-del


    Delar / Front till innomhus-del


    3D-Skisser, Fram / baksida

    Använder nu en nyinhandlad 'ELEGOO Centauri Carbon 2 Combo' 3D-Skrivare för 3D tillverkning.

    För den som vill 3D-Printa en egen box så ligger .stl filerna här:
  • Låda / lock 100x100x50_box.stl
  • Frontpanel box_front.stl


    Krets-schema, skärmdump från KiCad

    Komponenter:
    SW1    = 2x3pol vrid-omkopplare            Från junk-box
    R1--R3 = 470Ω 1/4W                         Från sortiment
    D1     = DIOD 1N4003                       Från sortiment
    D2--D4 = 5mm Lysdiod 2V/0,25mA             Från sortiment
    K1--K2 = Relä 1-pol växlande OMRON G2R-1   Från junk-box
    J1--J3,J10 = SO239 UHF hona chassie        Från junk-box
    J4--J9 = 5+3pol skruv-kopplingslist        Se nedan 
    
    Övrigt:  
    Kopplingslist (Biltema[L2] Art# 35-811)     29,90 sek
    Kopplingslåda i ABS-plast 220x170x110mm    265,19 sek
    Gummikabel 3x1mm2 (Biltema[L2] Art# 44-839 299,00 sek
    
    2026.02.25 Beställde en 3band 6M/2M antenn från https://antennas-amplifiers.com/[L1]. Tänker använda den tillsammans med min nyrenoverade 'EMOTATOR 1103mxx' rotor.


    Beskrivning


    Tekniska data för 3Band 6m 2m Antenna 6m2mHV17W-3C
    
    6m horisontal part 
    ===========================================================
    Number of Elements: 4
    Frequency Range: 50-50.5MHz
    Free Space Forward Gain: 8.5 dBi
    Front-to-Back Ratio: 21dB
    -3 dB Horizontal Beam-width: 61.4°
    Polarization: Horizontal
    Nominal Input Impedance: 50 Ohms
    SWR Across Entire Band: <1.2
    Maximum Power Input: 1000W (by request “P” 1500W version)
    Matching Method: Direct feed through common mode choke (current balun)
    Connector: “N”
    
    2m Horizontal part.
    ===========================================================
    Number of Elements: 8
    Frequency Range: 144-145MHz
    Free Space Forward Gain: 12.1dBi
    Front-to-Back Ratio: 27dB
    -3 dB Horizontal Beam-width: 43°
    Polarization: Horizontal
    Nominal Input Impedance: 50 Ohms
    SWR Across Entire Band: <1.2
    Maximum Power Input: 500W (by request “P” 1500W version)
    Matching Method: Direct feed through common mode choke (current balun)
    Connector: “N”
    
    2m Vertical part.
    ===========================================================
    Number of Elements: 5
    Frequency Range: 144-146 MHz (or IARU144-148MHz Region 2 version (USA))
    Free Space Forward Gain: 10 dBi
    Front-to-Back Ratio: 29 dB
    -3 dB Horizontal Beam-width: 54.7°
    Polarization: Vertical
    Nominal Input Impedance: 50 Ohms
    SWR Across Entire Band: <1.2
    Maximum Power Input: 500W (by request “P” 1500W version)
    Matching Method: Direct feed through common mode choke (current balun)
    Connector: “N”
    
    Mechanical characteristics
    ===========================================================
    Boom Length: 2.92 m
    Boom Size: 30×30 mm
    Turning Radius: 2.2m
    Number of Boom Pieces: 2
    Guy rope support: Not necessary. Strong boom
    Mounting Mast Diameter: 43 – 70 mm 1-11/16″ – 2-3/4″ OD
    Bracket: Stainless Steel AISI 316L (A4)
    Clamp: 2x M8 Stainless Steel
    Survival Wind Speed: 150 km/h
    Net Weight: 5.4 kg
    Gross Weight:  6.7 kg
    Transportation Length: 1.5 m
    


    Länkar / Leverantörer / Referenser
    Honors to the brains behind - 'Äras den som äras bör' - som talesättet säger. Som vanligt så är det inte jag som kommit på allt detta. Här hittar ni länkar till referenser och leverantörer.

    Leverantörer:
    [L1]
    https://antennas-amplifiers.com/
    [L2] Biltema.se
    [L3] Amazon.com

    Länkar till alla leverantörer hittar du i --> Leverantörsindex

    Länkar / Referenser:
    [R1] Datablad för RG-217 koaxialkabel RG217_datablad.pdf
    [R2] Monteringsanvisning Dual_Band_Yagi_Manual.pdf
    [R3] 350W VHF PA-Steg JM-TAIWAN PA-350V
    [R4] 200W VHF PA-Steg RM-ITALY LA-250V
    [R5] Datablad för transistor Mitsubishi RD70HVF


    'Disclaimer'
    The information given on this page is given on an 'As Is' basis and aimed for NON COMMERCIAL use only. The author can not be held responsible for any use of the information. Any registered product / trademark or company name on the page is the property of their respective owners.

    Notera!
    Det är helt personliga reflektioner och upplevelser vi skriver om på den här sidan, dessa är inte några 'Expert' kommentarer / utlåtanden. Vi rekommenderar INTE att någon ska göra dom ändringar / Modifieringar som vi gjort och som beskrivs på denna sida, då dessa HELT SÄKERT gör att alla garantier som leverantören utställt OMEDELBART upphör.

    Våra tester och slutsatser kan INTE, och ska INTE tas för intäkt att samma eller motsvarande resultat eller upplevelse kan erhållas eller efterliknas någon annanstans eller av någon annan.

    Go Back!


    ©2010--2026 SM2YER Goran