Testar en DAC / Hörlursförstärkare
BREEZE AUDIO CM6631A
192KHz sampling / 24Bit upplösning

INDEX
  • Inledning
  • senast uppdaterat
  • beskrivning
  • Referenser / Länkar m.m.
  • 'Disclaimer'

  • Inledning
    Provar ytterligare en C-Media CM6631A bestyckad USB/DAC


    BREEZE AUDIO CM6631A
    Senast uppdaterat
    2014.06.10 Spelar upp högupplösta .FLAC på en
    RaspberryPi / RaspyFi spelare. Filerna har jag hittat på http://www.2l.no/hires/[R9] - Kör ut via USB 2.0 till C-Media CM6631A, Lyssnar via 'SENNHEISER HD 650' lurar.


    RaspberryPi / RaspyFi + C-Media CM6631A

    Detta låter och fungerar förträffligt - Marianne Thorsen / TrondheimSolistene Violin Concerto no. 4 in D major KV 218 - Allegro MOZART, Stereo, 24 bit, 192 kHz, 3640 kbps no problems!


    RaspberryPi / RaspyFi Webb granssnitt

    2014.06.01 Kör nu BREEZE AUDIO CM6631A enheten med RaspberryPi / RaspyFi spelaren - Inga problem att få igång den, behövde bara ändra MPD inställningarna för att köra volym kontroll i mjukvaran.


    BREEZE AUDIO CM6631A + RaspyFi / MPD settings, mixer type 'Software'

    2014.06.01 Provar att uppgradera OP-Förstärkarna, original kretsarna 2x JRC 5532[R5] åker ut. Testar först med 2x BURR-BROWN OPA2604[R6] men upplever att jag får lite brus/störningar vid låg/ingen insignal. Provar i stället med 2x BURR-BROWN OPA2134[R7]


    Uppdaterar OP-Förstärkare, 2x JRC 5532[R5] åker ut

    Första intrycket är att det fungerar väldigt bra, ljudet har blivit lite 'öppnare' (Bredare) och mera musikaliskt med mera 'svärta' i basen och bättre 'tryck' i hela registret. Ska prova att växla tillbaka för bättre jämförelse.


    2x BURR-BROWN OPA2124[R7] på plats

    2014.15.30 Nu provar jag en kombinerad dac / hörlursförstärkare med USB mottagar chipet CM6631A - Har tidigare även provat en CM6631A bestyckad USB / Spdif converter

    Har nog gått lite fort i tillverkningen. På fronten står det lite felaktigt 'XMOS INSIDE'

    Trots denna lilla 'miss' så låter och fungerar Breeze Audio enheten helt förträffligt med sin CM6631A USB mottagar krets.

    Laser graverad text 'XMOS INSIDE'

    Första intrycket av BREEZE AUDIO CM6631A enheten är att den är lättlyssnad och lätt att använda - Lyssnar via 'SENNHEISER HD 650' lurar. Provar även att lyssna via LINE out och en 'DGUANZO DP-101' mini förstärkare och DYNAVIOCE Challenger S-5 EX'


    Testar Breeze Audio CM6631A DAC / Hörlursförstärkare

    Provlyssnar på .FLAC filer via dator, spelar upp med Foobar2000 och C-Media's egna ASIO drivare.


    ASIO for C-Media driver i Foobar2000

    Första lyssnings intrycket: Utan insignal är där tyst som i graven, (Absolut heltyst) även vi MAX pådrag på volym kontrollen - Bra fundament med tydlig och detaljerad basgång, inte jätte stark i dom absolut lägsta delarna. Mellanregistret är väldigt tydligt, artikulerat och lättlyssnat. Diskanten följer samma mönster. Uppfattar grund tonen som något varm och 'nära'.


    Sophia Zelmani - I'm the rain
    Sophia Zelmani - I'm the rain
    Det här är i mitt tycke en väldigt bra produktion. Singer/Songwriter Sophia Zelmani tillsammans med producent/gitarist Lars Halapi fyller skivan med massor av närvaro och stämning, naturligtvis så är inte alla låtar lika 'gripande'. I låten 'You Can Always Long For May' får i.a.f. jag lite gåshud av Lars Halapi's gitarr.

    Den tekniska kvaliten är på topp med mycket fin dynamik, skivan tål säkert att lyssnas på jätte mycket, där fins så mycket att upptäcka av nyanser och detaljer.

    Beskrivning
    Hela Breeze Audio enheten är riktigt välbyggd, flerlagers kretskort med mestadels ytmonterade komponenter av god kvalite. Chassi med front / bakstycke helt i aluminium.

    Inkoppling och användning är mycket enkelt. På fronten sitter ett 6,25mm tele jack (Stereo) för anslutning av hörlurar, utgången klarar lurar med impedans mellan 8Ω och 1000Ω. Med volym kontrollen justeras utsignalen på hörlurs utgången.

    LED indikator 'USB' visar att USB källa är ansluten och aktiv, indikering 'POWER' lyser när nätspänningen är på.


    BREEZE AUDIO CM6631A invändigt / Strömförsörjning

    På bak panelen hittar man en USB typ 'B' kontakt för anslutning av PC/MAC. Via audio utgången markerad 'OUTPUT' kan man koppla en förstärkare, utgången har fast utnivå ca. 300mV (LINE nivå)

    Med brytaren markerad 'ON' / 'OFF' slår man igång / stänger av enheten. Nätsladd std. IEC-320-C13 ansluts till kontakten markerad 'AC220V'


    BREEZE AUDIO CM6631A invändigt / Strömförsörjning

    'Under huven' hittar man en diskret nätdel (Inte switchad nätdel) - Med kapslad ringkärna och inte mindre än 5st integrerade regulator kretsar (TO220).


    BREEZE AUDIO CM6631A invändigt / Strömförsörjning

    USB signalen tas emot av en C-Media
    CM6631A[R1] mottagare, den klarar 192K samplings frekvens men 24BIT upplösning. Signalen går vidare via I2S till ingången på DAC kretsen Wolfson WM8740[R2] som också klarar 192K/24BIT.


    C-MEDIA 6631A Chip / Wolfson WM8740 Chip

    Den analoga utgången drivs av två st JRC 5532 OP-Förstärkar kretsar, dessa sitter monterade i DIL-8 socklar och är lätta att uppgradera med t.ex. BURR-BROWN OPA2604.


    2st JRC 5532 kretsar / ALPS Volym kontroll

    Hörlurs utgången drivs av en separat hörlurs krets från Texas Instruments, TPA6120[R3] klarar att driva hörlurar från 8Ω upp till över 600Ω impedans. Ska enl. datablad lämna runt 125 mW med 0.00012% THD distortion vid 600Ω last.


    TPA6120 krets / upc1237

    En skyddskrets skyddar utgångskretsen och hörlurar. NEC uPC1237[R4] kretsen klarar att hantera överbelastning / kortslutning och positiv / negativ 'offset' i utsignalen. Skyddskretsen driver ett relä och hanterar även fördröjning av tillslag vid uppstart för att skydda lurarna (Och hörsel)


    KRISTINA TRAIN - 'DARK BLACK'
    KRISTINA TRAIN - 'DARK BLACK'
    Fastnade för den väldigt melodiösa och stämmingsfulla sångerskan / låtskrivaren Kristina Train, hittade henne efter ett musiktips på webben, har lyssnat mycket på Spotify och nu även inhandlat CD'n 'DARK BLUE' (2013)

    Favorit låtar just nu är: 'Dream Of Me', 'Saturdays Are The Gratest' och 'I Wanna Live In LA' - Alla har lite 'UpBeat' och är lite 'Gladare' i grundtonen, övriga låtar är i.o.f.s lika bra men just nu kanske lite för mörka/dystra...

    Alla låtar håller väldigt jämn och bra kvalite, t.ex. 'I Wanna Live In LA' är riktigt, riktigt bra! - Rent 'Storslagen' i vissa delar och med en 80-Tals synt a'la Adolphsson & Falk i slutet, riktigt pampigt!

    Några noteringar Plus :-)
  • Väldigt prisvärd
  • Mycket bra ljud!
  • Lätt att få funktion i PC
  • Lätt att få funktion med RaspbarryPi / RaspyFi
  • Bra komponent / bygg kvalite
  • Bra funktion

    Några noteringar Minus :-(
  • USB ingången är aktiv hela tiden?
  • Följde inte med någon manual

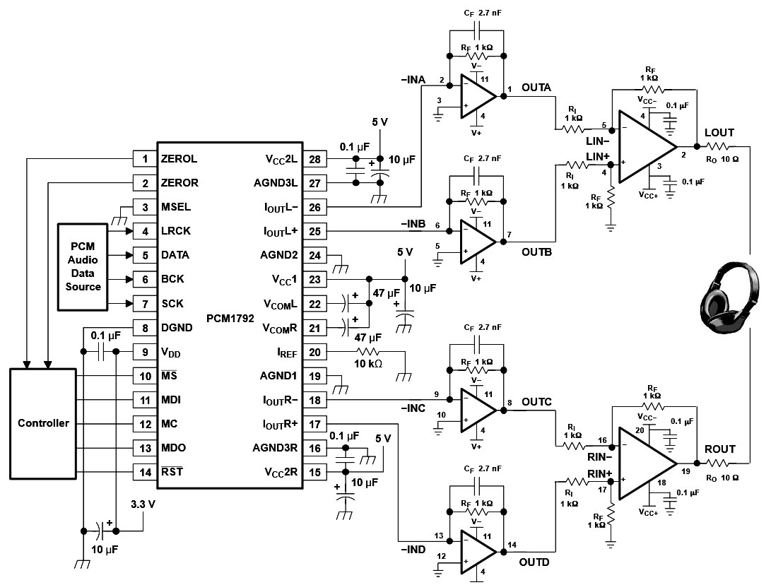
    NOTERA! Skiss / Kretslösningen nedan är INTE exakt den kretslösning som används i BREEZE AUDIO enheten, den är endast tänkt att illustrera en typ lösning med TPA6120 kretsen. Men normalt brukar elektronik konstruktörer inte avviker nämnvärt från kretstillverkarens krets lösningar. PCM/DAC krets och OP-Förstärkarna i illustrationen avviker, är också av andra typer / fabrikat.
    TYP kretslösning med hörlurs förstärkaren TPA6120

    Tekniska data 'BREEZE AUDIO CM6631A'
    =====================================================================
    Typ ............................... DAC / Hörlursförstärkare
    Default Sample Rates .............. 44.1K/48K/96K/192KHz
    Supported Bit Length .............. 16/24 bit
    Output ............................ LINE 2x RCA and 6.25mm headphone
    Power input ....................... AC 220V
    Size .............................. 116 * 165mm * 50mm
    Weight ............................ 0,9Kg
    
    Supports ASIO2.0 driver
    ===================================================================== 
    

    Länkar / Leverantörer / Referenser
    Honors to the brains behind - 'Äras den som äras bör' - som talesättet säger. Som vanligt så är det inte jag som kommit på allt detta. Här hittar ni länkar till referenser och leverantörer.

    Leverantörer:


    Länkar / Referenser:
    [R1] Datablad för
    C-Media CM6631A USB Mottagar chip 561Kb fil i .pdf format
    [R2] Datablad för Wolfson WM8740 DAC krets 489Kb fil i .pdf format
    [R3] Datablad för TI TPA6120A2 Förstärkar krets 1,2Mb fil i .pdf format
    [R4] Datablad för NEC uPC1237 Skyddskrets 1,1Mb fil i .pdf format
    [R5] Datablad för JRC 5532 OP-Förstärkar 195Kb fil i .pdf format
    [R6] Datablad för BURR-BROWN OPA2604 OP-Förstärkar 342Kb fil i .pdf format
    [R7] Datablad för BURR-BROWN OPA2134 OP-Förstärkar 1,04Mb fil i .pdf format
    [R8] Drivrutiner för CM6631A kretsen WinXP/Vista/Win7/Win8
    [R9] Högupplösta Audiofiler i .FLAC och DSD format @ http://www.2l.no/hires/


    'Disclaimer'
    The information given on this page is given on an 'As Is' basis and aimed for NON COMMERCIAL use only. The author can not be held responsible for any use of the information. Any registered product / trademark or company name on the page is the property of their respective owners.

    Notera!
    Det är helt personliga reflektioner och upplevelser vi skriver om på den här sidan, dessa är inte några 'Expert' kommentarer / utlåtanden. Vi rekommenderar INTE att någon ska göra dom ändringar / Modifieringar som vi gjort och som beskrivs på denna sida, då dessa HELT SÄKERT gör att alla garantier som leverantören utställt OMEDELBART upphör.

    Våra tester och slutsatser kan INTE, och ska INTE tas för intäkt att samma eller motsvarande resultat eller upplevelse kan erhållas eller efterliknas någon annanstans eller av någon annan.




    Go Back!


    ©2010 SM2YER Goran