Senast uppdaterat
2023.03.22 Provar att packa allt i Ammo-låda av plast, storleken på plast-låda är i princip samma som plåtlådan,
så det är inga problem att få plats med allt - Har även beställt ett LiFePo batteri, får förhoppningsvis hem det denna vecka.

Packat allt i Ammo-Låda av plast / kastlod & Lina
2023.03.19 Har spelat in några små demo-filmer, dom ligger nu här nedan, komprimerade i .avi format.
2023.03.19 Så är ammo-lådan packad och klar, bara att ta med ut i skogen, ta av locket och köra igång - När allt är packat blir den
totala vikten 7,1Kg, det är ganska mycket! - Dom tyngsta delarna är: Ammo-låda, 2,5Kg (tom) & batteriet (Biltema art.nr# 80-410)
2,65Kg, ska försöka att hitta lite lättare alternativ till dessa - Exempel:
- Batteri alt. LiFePO4 batteri 12,8V/7Ah, vikt 0,88Kg
- Ammo-låda alt. plast H=225mm / B=180mm / L=345mm, vikt 0,75Kg

LiFePO4 batteri / Ammo-Låda i plast
Med LiFePO4 batteri och plast-låda skulle totalvikten bli 3,58Kg = Halverad vikt! - Största hindret är antagligen priset på LiFePO4 batterier, och att man antagligen behöver en speciell laddare till det.

Ammo-låda packad & klar / öppnar / tar loss locket...
På sista bilden här ovan ser man hur man enkelt kan ta loss locket från ammo-lådan, sedan är det bara att upprätta stationen, går bra att använda den stående på ammo-lådans botten ellar att ställa upp den på 'högkant' (Se bilder nedan)

Ammo-låda utan lock, kan nu används horisontalt eller Vertikalt

Ammo-låda packad & klar
|
Packlista:
- Batteri 12V
- Antennavstämningsenhet ATU-100EXT
- HF/QRP Transceiver µSDX+
- DIY Manöverpanel
(RF-Choke under panelen)
- EFLW Antenna & Loading-coil
- Kastlod & Kastlina
- Monofon RETEVIS KMC
- Påse med:
2st 1A Reservsäkringar
1st Adapter SO239-->BNC-Ha
1st Adapter BNC-Ho-->PL259
1st Skarv BNC-Ho
1st Skarv SO239
Mått: H=190mm / B=155mm / L=310mm
Vikt: 7,1Kg (Totalt)
|
På 'ToDo' listan återstår nu bara att testa, testa, testa...
2023.03.17 kl. 21:45 - Sitter och lyssnar på Huddinge radioamatörer / SA0CCA 'Fredagsringen' på 3762KHz, signalerna ligger på S7-S9+ hela tiden.
Jämför med FT991A radion, lite bättre ljud på den, men ingen större skillnad på signalstyrkan.

QRP stationen klar / Testar batteristatus
Har 'slutmonterat' manöverpanelen, allt fungerar som tänkt. Med knappen 'TEST' håller man enkelt koll på batteristatus.

Baksidan på manöverpanelen / Kopplning & montering är klar

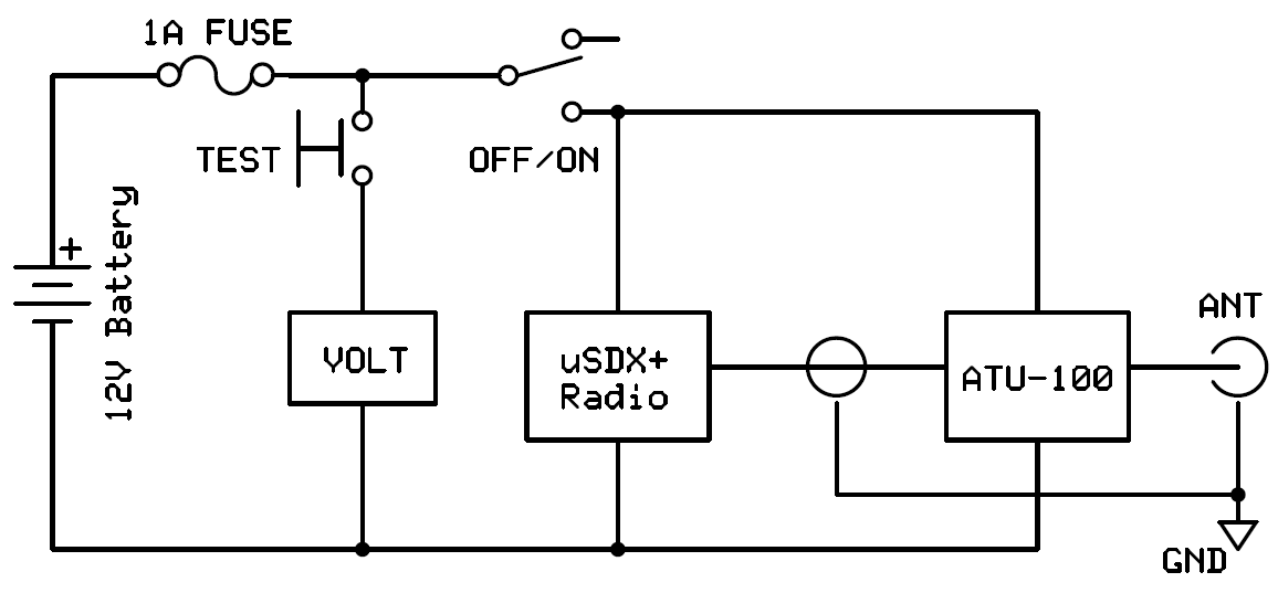
kontrollpanelens krets-schema
2023.03.15 3D-Ritar och skriver ut en 'manöverpanel' i PLA plast till ammo-lådan, ritar text till manöverpanelen, skriver ut på A4 papper och laminerar,
sedan är det dax att börjar provmontera.

3D-Ritad 'manöverpanel' framsida / baksida
Ritar i 3D med en gammal 'SketchUp' version, exporterar till .stl format, renderar en utskrift fil (ISO .gcone) med Slic3r, för att sedan skriva ut med min 'VELLEMAN K8200' 3D-Skrivare.

Provmonterar 'manöverpanel' / Front-text / Provmonterar
På frontpanelen hittar man följande funktioner:
- ANT - BNC kontakt för antenn anslutning (50ohm)
- GND - Vingmutter för anslutning till jord
- TEST - Momental tryckknapp för kontroll av batterispänning
- ON / OFF - Brytare för till / frånslag
- VOLT - LCD-Display, aktiveras med TEST knappen
- CHARGE - DC anslutning för underhållsladdning av batteri
- 1A FUSE - Säkringshållare
.pdf fil med front-text ligger -->Här!
.stl fil för den som vill 3D-Printa själv ligger -->Här!
2023.03.12 Fick hem µSDX+ radion för några dagar sedan, provkörde under Söndagen, checkade in på SSA-Bulentinen 09:00 på 3674Khz, fick 57 i signalapport.
Tillverkar monteringsplåtar och provmonterar all utrustning i ammo-lådan, allt får plats! - Lägger oxkså in min nytillverkade EFLW antenn inkl. loading-coil och RF-Choke. (Kastlod & lina saknas!)

3D-Skiss / Provmontering
2023.02.18 Tanken är att sätta ihop en 'super-portabel' utrustning med HF-radio inkl. avstämmningsenhet, batteri och antenn, allt ska gå ner i en std. amerikansk M2A1 .50cal ammolåda (Plåt)
Har beställt Ammo lådan från rodastjarnan.com[L4] - Antenn avstämning, bekvämare monofon och solpanel är inhandlade via Amazon.com[L1] - Div.kabel, säkringshållare, kontakter m.m. kommer från Electrokit.se[L2], batterier, krympslang, skruv m.m. kommer från Biltema.se[L3]

Ammo låda / Monofon (Lånade bilder)
Har tidigare snickrat ihop några ändmatade longwire antenner, dom borde fungera bra i detta projekt,
läs mera om EFLW antennerna -->Här!
2023.02.12 'Snickrar' ihop den här sidan, not** samtliga bilder är lånade från säljaren @ Amazon.com...
Beskrivning
Då både mjukvara & hårdvara till µSDX är öppen och fri att använda så finns det många byggsatser och färdiga modeller
att tillgå. Just denna version är tillverkad i Kina och inhandlad via Amazon.com[L1]

Front / Front & mikrofon (Lånade bilder**)
Radion har inbyggd funktion för att ladda ett internt batteri, men levereras utan batteri. Det medföljer en DC-Kabel och en enkel monofon.

Yttermått / front & Bakpanel (Lånade bilder**)
Tekniska data för µSDX+ HF Tranceiver
=================================================
Frekvens .................................... 1,5 -- 30MHz
8-Band, 10M, 15M, 17M, 20M, 30M, 40M, 60M, 80M
Uteffekten .................................. 3-5W (Max 10W)
All-Mode .................................... USB, LSB, CW, AM, FM
Receiver Noise floor MDS .................... –135 dBm at 28MHz (in 200Hz BW)
Receiver Front-end selectivity .............. steep -45dB/decade roll-off
+/-2kHz from tuned-frequency
Blocking dynamic range ...................... 20kHz offset 123dB, 2kHz offset 78dB
DSP filters: 4000, 2500, 1700, 500, 200, 100, 50 Hz passband
DSP features: Automatic Gain Control (AGC), Noise-reduction (NR)
Voice-triggered Xmit (VOX), RX Attentuators (ATT), TX noise gate
TX drive control, Volume control, dBm/S-meter.
|
Kvar att göra / ToDo:
Den här typen av 'projekt' blir nog aldrig färdigt, här är lite av det som behöver göras...
3D-Rita / Skriva ut 'kontroll panel' till lådan
Montera batteri / radio / ATU i ammo-lådan
Bygga QRP / EFLW antennen färdigt
- Prova att ladda batteriet med solcell
- Testa, testa, testa...
Budget / Transport
Kostnader t.o.m. 2023.02.12
=====================================================================
µSDX+ HF Tranceiver .................................. 1700,99sek
ATU-100 .............................................. 1077,90sek
Bly/Syra Batterier (AGM) 12V/7,2Ah .................... 239,00sek
LiFePo_batteri 12V/8Ah ................................ 694,28sek
Material / montering .................................. 310,00sek
Solcell ..............................................
Ammolåda plåt ......................................... 399,00sek
Ammolåda plast ........................................ 279,00sek
====================================================================
Totalt -----,--sek
|
Länkar / Leverantörer / Referenser
Honors to the brains behind - 'Äras den som äras bör' - som talesättet säger. Som vanligt så är det inte jag som kommit på allt detta. Här hittar ni länkar till referenser och leverantörer.
Leverantörer:
[L1] µSDX+ HF Tranceiver m.m. @ Amazon.com
[L2] Kabel, kontakter @ komponenter @ Electrokit.se
[L3] Krympslang, skruv m.m. @ Biltema.se
[L4] 'Prepping' material o.d. @ RödaStjärnan.com
Länkar / Referenser:
[R1] µSDX+ beskrivning, ritningar & källkod @ github.com
[R2] https://github.com/threeme3/usdx
'Disclaimer'
The information given on this page is given on an 'As Is' basis and aimed for NON COMMERCIAL use only. The author can not be held responsible for any use of the information. Any registered product / trademark or company name on the page is the property of their respective owners.
Notera!
Det är helt personliga reflektioner och upplevelser vi skriver om på den här sidan, dessa är inte några 'Expert' kommentarer / utlåtanden. Vi rekommenderar INTE att någon ska göra dom ändringar / Modifieringar som vi gjort och som beskrivs på denna sida, då dessa HELT SÄKERT gör att alla garantier som leverantören utställt OMEDELBART upphör.
Våra tester och slutsatser kan INTE, och ska INTE tas för intäkt att samma eller motsvarande resultat eller upplevelse kan erhållas eller efterliknas någon annanstans eller av någon annan.
Go Back!

©2010--2023 SM2YER Goran
|