Installerar
RESERVKRAFT
1-Fas 2500VA reservkraftverk


INDEX
  • Inledning
  • Senast uppdaterat
  • Beskrivning
  • Budget / Transport
  • Referenser / Länkar m.m.
  • 'Disclaimer'
  • Inledning
    För några år sedan köpte vi ett litet elverk, det drivs på bensin och ger maximalt (ungefär) 2,2Kw @ 240V (1-Fas).

    Elverket användes först vid sommarstugan, vid reparationsarbeten och till en liten vedklyv, nu har jag kört allt från kap&gerings såg, vinkelslip och borrmaskiner till migsvetsen med det lilla elverket.

    Tanken är nu att få till ett 'EL-Intag' för att köra in 1-Fas 240V till vårat hus, för att driva lite belysning, kyl/frys och cirkulationspumpar vid längre strömavbrott


    1-Fas bensin elverk 'FIRMAN SPG2500'
    NOTERA!
    För att göra ingrepp i en befintlig EL anläggning så måste man ha minst allmän behörighet (AB), om man inte har det själv så måste man anlita en auktoriserad elektriker. Här kan du läsa mera om vad du får gör själv www.elsakerhetsverket.se

    Senast uppdaterat
    2020.10.01 Passade på att testköra reservkraft/elverk då vår el-leveranntör hade ett planerat service avbrott, onsdag 2020.09.23 13:33 -- 16:25.

    Kopplar först in vårat 'Firman SPG2500'. Elverket drivs på bensin och ska kunna leverera drygt 2Kw kontinuerligt. Allt verkar att fungera som tänkt. Elverket är av den enklaste typen utan någon form av stabilisering (Inverter alt. AVR modul), det innebär att utspänningen är aningen 'fladdrig', det märks särskilt på belysning.


    Testar 'Firman SPG2500' / 'KIPOR IG-1000'

    'Firman SPG2500' är antagligen lite 'olämpligt' för att driva elektronik med, är lite orolig för att shunt-automatik, solfångar-styrning och min Raspberry-Pi mät-dator ska ta skada - Testar däför även att koppla in vårat 'KIPOR IG-1000' elverk. Allt verkar att gå lite bättre med KIPOR verket, inget 'fladder' i ljuset på lampor / lysrör.


    Tillfällig inkoppling av jordspett

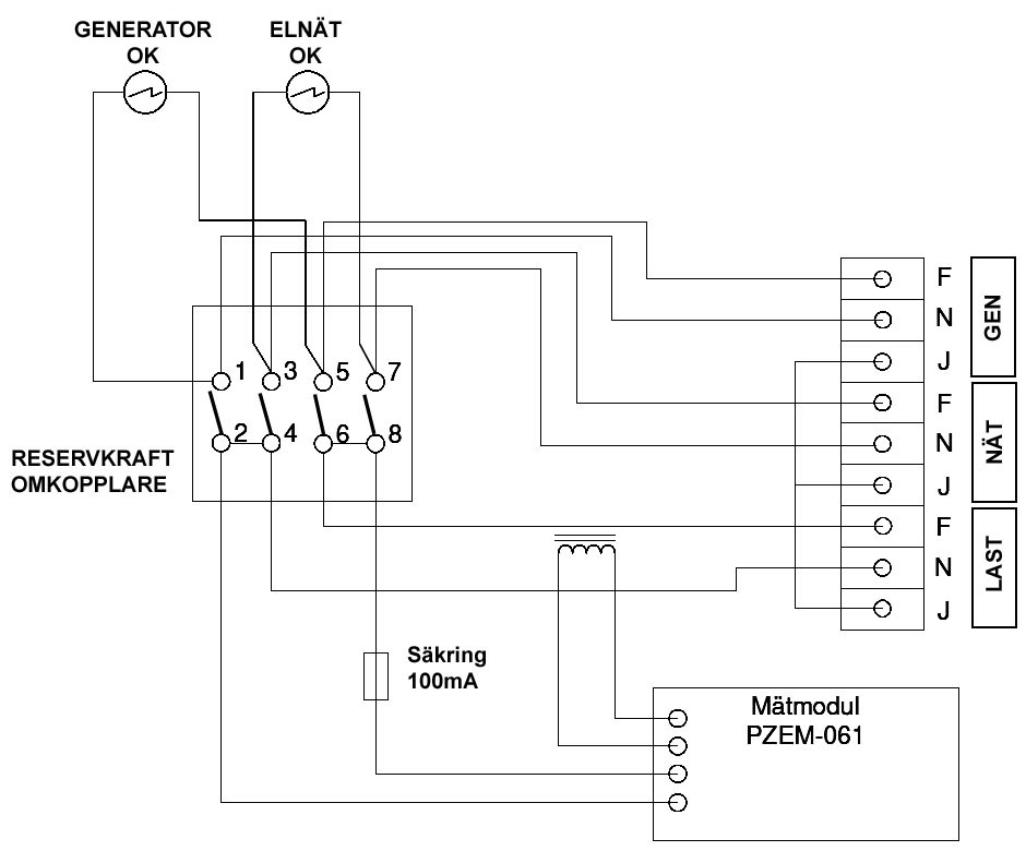
    Använder en start-kabel för att koppla in jordspet till elverkets jord-tag. Reservkraft omkopplaren verkar att fungera som det är tänkt, även den inehåller en del elektronik för mätning av spänning / effekt / förbrukning.


    Reservkraft omkopplare / Div. elektronik

    KIPOR elverket är lite för 'klent' för den belastning som jag har räknat med, belastar därför inte med kyl/frys när jag testar denna gång. Den totala belastningen översteg inte 600W denna gång.

    2020.03.26 'Uppgraderar' vårat 'Firman SPG2500' elverk med hjul & handtag för att förenkla transport / förflyttning. Handtagen är tillverkade av gamla 'skacklar' från en 'Snö-räv',- hjulen är Art.nr#14-2677 från 'Biltema.se'[L3], hjulaxel och monteringsdetaljer för handtagen är egentillverkade / DIY.


    Elverk 'Firman SPG2500' med 'Uppgradering'

    2020.01.26 Reservkraftomkopplare och automatsäkringar för belastningarna är nu på plats vid EL-Centralen i pannrummet. Allt är inkopplat och verkar att fungera som tänkt. Måste ordna med jord-tag för elverket innan det går att provköra med elverket inkopplat.


    EL-Central i pannrummet / 'DIY' Reservkraftomkopplare

    Med hjälp av mätmodulen kan man hålla koll på belastningen löpande. Där är även en larm funktion, just nu är den inställd på 2,0KW vilket motsvarar vad elverket klarar i Kontinuerlig drift.

    2020.01.25 Reservkraftomkopplaren är nu färdig för att kopplas in permanent. 1-FAS intaget är på plats sedan några år. Har inhandlat en NORM kapsling och två 10A automatsäkringar för belastningarna.


    1-FAS intag / NORM kapsling med 2st 10A automatsäkringar

    Beskrivning
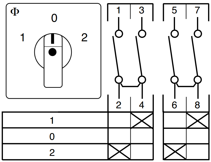
    2020.01.24 Bygger ihop en 'Reservkraftsomkopplare' för 1-FAS 240V som klarar belastning på ca. 2500VA (10A) - Använder en 'Kraus&Naimer CA10 A211' tvåvägs omkopplare med tre lägen 1-0-2. En LED indikerar när nätspänningen är 'OK' - Och en annan LED indikerar 'OK' när elverket levererar spänning.


    DIY Reservkraftsomkopplare

    Använder en 'PEACEFAIR PZEM-061 Voltage Current Power Energy Meter' - Det är en panelmonterad LCD display / mätmodul, med den håller man koll på belastningen. Mäter växelspänning, ström, momental effektförbrukning. Inhandlade den från Kina via eBay.com[L2]


    DIY Reservkraftsomkopplare med säkringar / Mätmodul

    Kopplar belastningar via 2st 10Ampere automatsäkringar. Elverket har också en egen 10A säkring direkt på utgången.


    Inkoppling av omkopplaren / Omkopplare (Lånad bild)

    Reservomkopplaren kopplar om både fas och noll anslutningen, i läge '1' får belastningen spänning från elnätet, i läge '0' är belastningen helt 'frikopplad' och i läge '2' är belastningen inkopplad till elverket.


    Krets-schema

    Tekniska data elverk 'FIRMAN SPG2500'
    =====================================================================
    Typ ............................... Elverk 1-FAS
    
    Generator
    Spänning .......................... AC 230V/50Hz
    Arbetseffekt ...................... 2 kW
    Max effekt ........................ 2,2 kW Strömstyrka 
    12V ............................... 8.7 A
    Skyddsklass ....................... IP23
    
    Motor 
    Typ ............................... Luftkyld 4-takt, encylindrig,
                                        Bensinmotor
    Modell ............................ SFE170
    Max uteffekt ...................... 4,2 kW(5,7HK)/3600 rpm
    Vridmoment ........................ 11,3 Nm/2500 rpm
    Kompression ....................... 8.5:1
    Cylindervolym ..................... 173 cc
    Förgasarsystem .................... OHV
    Tankvolym ......................... 15 L
    Bränsle ........................... Bensin blyfri 95 oktan
    Nominell arbetstid ................ 9 timmar
    Oljevolym ......................... 0,6 L
    Oljenivåvakt ...................... Ja
    Olja .............................. Sommar – SAE 15W-40
                                        Vinter – SAE 10W-30
    Startsystem ....................... Snörstart
    Tändsystem ........................ T.C.I
    Ljudnivå .......................... 69dB(A) på 7m avstånd
    Vikt .............................. 41 kg
    Dimensioner ....................... 595/425/440 mm
    =====================================================================
    

    Några noteringar Plus :-)
  • Prisvärt

    Några noteringar Minus :-(
  • Man måste ha EL-Behörighet för att koppla ihop detta!
  • Elverket kan vara i minsta laget?
  • Osäker kvalité på elströmen?

    Budget / Transport
    Kostnader t.o.m. 2019.06.05
    =====================================================================
    Elverk 'FIRMAN SPG2500' ......................... 2995,00 kr
    Omkopplare Kraus&Naimer CA10 A211 ...............  550,00 kr
    2st Automatsäkringar GARO .......................  200,00 kr
    Mätmodul PZEM-061 ...............................  180,00 kr
    Kapsling JULA 403005 ............................   69,90 kr
    Kapsling BILTEMA 46-2023 ........................   69,90 kr
    LED indikeringa, skruv, m.m. ....................  100,00 kr
    =====================================================================
    Totalt                                            4164,80 kr
    

    Länkar / Leverantörer / Referenser
    Honors to the brains behind - 'Äras den som äras bör' - som talesättet säger. Som vanligt så är det inte jag som kommit på allt detta. Här hittar ni länkar till referenser och leverantörer.

    Leverantörer:
    [L1] https://www.elbutik.se
    [L2] eBay.com
    [L3] BILTEMA.se
    [L4] JULA.se

    Länkar / Referenser:
    [R1] Bruksanvisning till elverk '
    FIRMAN SPG2500'
    [R1] User manual 'PZEM-061'



    'Disclaimer'
    The information given on this page is given on an 'As Is' basis and aimed for NON COMMERCIAL use only. The author can not be held responsible for any use of the information. Any registered product / trademark or company name on the page is the property of their respective owners.

    Notera!
    Det är helt personliga reflektioner och upplevelser vi skriver om på den här sidan, dessa är inte några 'Expert' kommentarer / utlåtanden. Vi rekommenderar INTE att någon ska göra dom ändringar / Modifieringar som vi gjort och som beskrivs på denna sida, då dessa HELT SÄKERT gör att alla garantier som leverantören utställt OMEDELBART upphör.

    Våra tester och slutsatser kan INTE, och ska INTE tas för intäkt att samma eller motsvarande resultat eller upplevelse kan erhållas eller efterliknas någon annanstans eller av någon annan.




    Go Back!


    ©2010--2018 SM2YER Goran