- BASTU-Belysning - (LÅGENERGI konvertering)
2007.12.01 Tänkte förnya och 'piffa' upp våran bastu lite inför vinterns bastu-badande. Här är vad som behöver göras:
  • Bredda och förnya bastulavar
  • Installera LED-Belysning
  • Fixa runt bastu-kamin
    - Eldfast beklädnad på golv
    - Fallskydd framför kamin
  • Fixa dusch hörna

    2007.12.15 Hittils är bastulavarna fixade. Breddade ca: 8cm och kompletterade med ett ryggstöd för att dölja belysningen, satte även in ett 'skydd' mellan övre och undre laven. Har även byggt och installerat LED-Belysning.


    LED bakom ryggstöd / Under bastu-laven


    LED överst på vägg


    LED ovan bastu-kamin


    LED ovan bastu-kamin

    - LED Belysning -
    Använder 5mm vita lysdioder (LED) inköpta från http://www.molectric.se/

    5mm LED Varmvit (MOLECTRIC Artnr: M5VV20)
    ========================================================
    Ljus ................. 10000 mcd
    Drivspänning ......... 3,2V / 30mA DC
    Belysningsvinkel ..... 20gr
    Färgtemperatur ....... 3500gr K
    

    Lysdioderna har monterats i kabelförskruvning av Fabr Hummel. Förskruvningen skruvas fast direkt i gängat hål eller fästs med hjälp av en kontramutter. http://www.elfa.se

    Kabelförskruvning IP68 (ELFA Artnr: 55-023-60)
    ========================================================
    Typ .................. M12×1,5
    Håltagning ........... 12mm
    Kabel/hål diameter ... 3–6,5
    Material ............. Glasfiberfylld polyamid
    Temperaturområde ..... -40 till +120 °C (statiskt)
    Färg ................. Grå (RAL 7035)
    

    Använder kabelförskruvningarna tillsammans med kontramutter (ELFA Artnr: 55-024-55). Har tätat dessa med epoxi lim och monterad med avstånd c/c 20cm i kabelkanal Torsman 20x40mm. - Använder även förkopplingsmotstånd på 470ohm 1/4Watt (1st per LED)


    Kabelförskruvning 55-023-60

    För LED-Belysningen ovanför bastu kamin har jag använt rostfria LED hållare från http://www.molectric.se/ Artnr: MBL5-1 - Använder även förkopplingsmotstånd på 470ohm 1/4Watt (1st per LED)


    Bastulins MBL5-1

    - LED Regulator - (Dimmer)
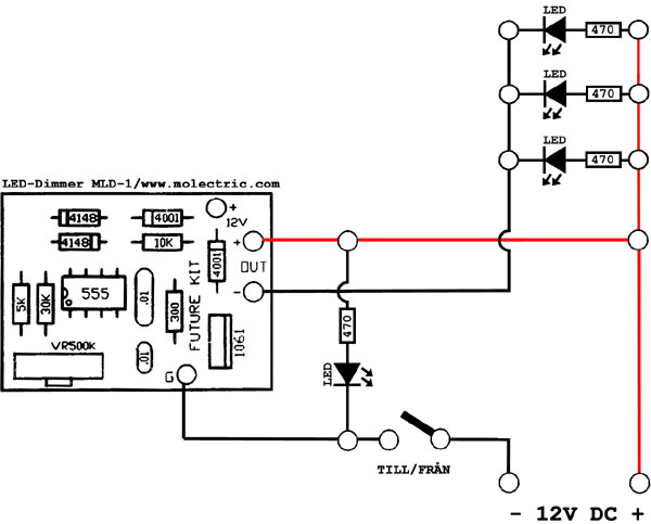
    Köpte en färdigbyggd LED-Regulator 'MLD-1' från http://www.molectric.se/ och byggde in den i en standard IP54 kopplingsbox. Regulatorn gör att belysningen kan regleras nästan ner till noll (ca 10-100%)


    LED-Styrning / Kapsling


    LED-Styrning / Öppnad


    Transformator och 12V inkoppling


    Kopplings-schema

    - Länkar -
    http://www.molectric.se/
    http://www.ydcircuit.se/iframe.php?s=omled

    Go Back!


    ©1999-2006 SM2YER Goran